
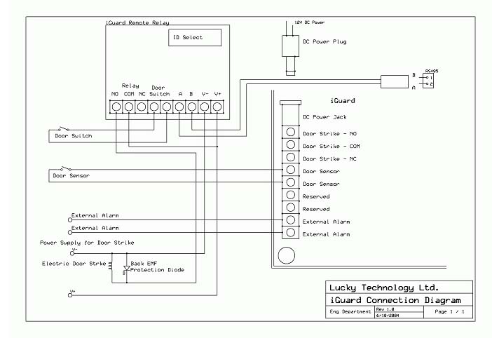
Remote Door Relay
The iGuard capabilities can be enhanced by the use of this Remote Door Relay, which is sold separately. The Remote Relay assures that malicious damage to or tampering with the iGuard does not result in a release of the electric door strike or magnetic lock.
This device is to be physically installed inside the premises, and it is connected to the iGuard's Remote Relay connector at the back of the unit through a special twisted-pair cable. When using the relay, the electric door strike actions are controlled by the remote door relay rather than directly by the iGuard unit. The remote relay will only release the strike / lock when a properly addressed Release-and-Relock signal is received from the iGuard unit to which it is attached.
to be announced........




